1992 Buick Lesabre Engine Diagram / 1992 Buick LeSabre Ac compressor relay switch - Questions ... / Buick lesabre parts at gmpartsgiant.. Search 22 listings to find the best deals. Gmc · 1 decade ago. Our complete online catalog covers all buick genuine lesabre parts and accessories. 1992 buick lesabre fuse panel diagram? Buick lesabre replacement repair manual information.

The 1992 buick lesabre currently has 0 recalls. My fuse panel is missing the cover that tells where each fuse is located and what it is for. The rear seat cushion must be removed to access the fuse block. Seeking info about 2005 buick lesabre wiring diagram? Great little engine, will take the smokey mountain grade and curves without faltering.

1992 buick roadmaster with auto climate control /it has no ...
1992 buick roadmaster with auto climate control /it has no ... from www.justanswer.com
Will a 1992 buick lesabre motor fit into a 1997 buick lesabre? Cs = crankshaft gen = alternator g = guide pulley t = tensioner pulley ac = air conditioning pas = power assisted steering. 97 buick lesabre engine diagram | wiring diagram database. Includes yearly updates, specifications, road test ratings and trouble spots. In 1992 the transmissions were mechanical. The only electronic component was a solenoid to lock the torque converter. Our complete online catalog covers all buick genuine lesabre parts and accessories. 29 2003 buick lesabre fuse box diagram.

Research the 1992 buick lesabre at cars.com and find specs, pricing, mpg, safety data, photos, videos, reviews and local inventory.

Ok got a 2001 buick lesabre 3.8 one coil not firing not the icm took it in and tesyed fine put a new coil on and still not firing all good connections dont see any bad wires what else could it be. 1992 buick lesabre suspension service bulletin 39509. Save $628 on 1992 buick lesabre for sale. With a simple, secure transaction. Start a new buick lesabre question. 97 buick lesabre engine diagram | wiring diagram database. Buick's popular lesabre is a roomy family sedan that offers most of the features found in the park avenue at a lower price. The serpentine belt routing diagram for a 1992 audi 100 cs with 2.8 liters v6 engine. The 1992 buick lesabre currently has 0 recalls. Will a 1992 buick lesabre motor fit into a 1997 buick lesabre? Know the recent 1992 buick lesabre technical service bulletins to keep driving safely. Research the 1992 buick lesabre at cars.com and find specs, pricing, mpg, safety data, photos, videos, reviews and local inventory. 1992 buick lesabre serpentine belt routing and timing belt diagrams.

I need to find an image of the panel. 1284 x 905 jpeg 135 кб. Search our online repair manual catalog and find the lowest priced discount auto parts on the web. Find the right genuine oem lesabre parts from the full catalog we offer. Where is the ecm on a 2000 buick lesabre.

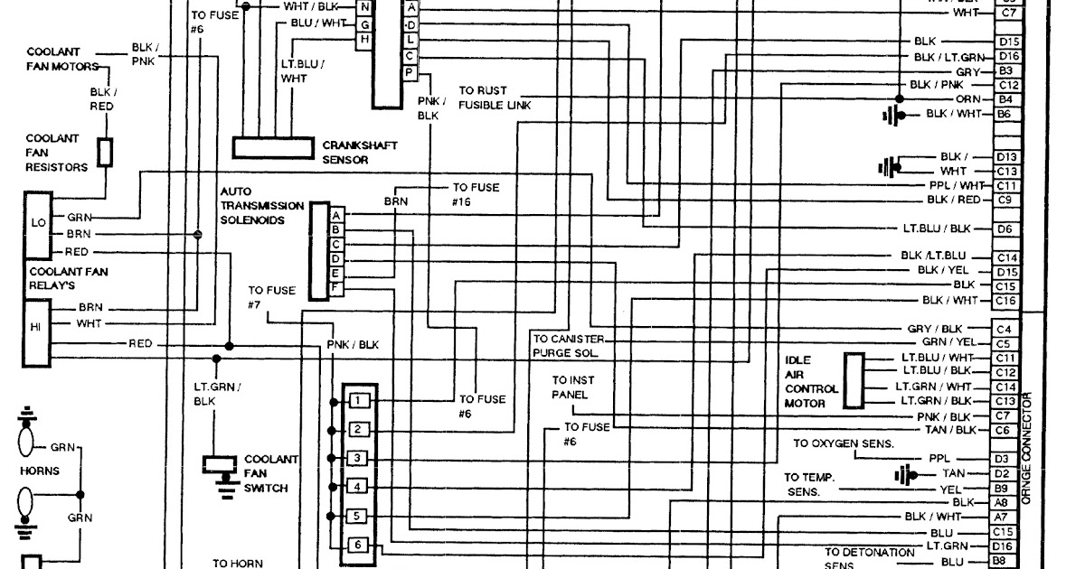
1992 Buick LeSabre Wiring Schematic | Schematic Wiring ...
1992 Buick LeSabre Wiring Schematic | Schematic Wiring ... from 4.bp.blogspot.com
Cranks, no spark, strong fuel smell it cranks but no spark at coils when cranking it has strong fuel smell under hooid its getting fuel. Search our online repair manual catalog and find the lowest priced discount auto parts on the web. Includes yearly updates, specifications, road test ratings and trouble spots. The used 1992 buick lesabre is offered in the following submodels: Home » buick » models » 1993 buick lesabre » overview. 1992 buick lesabre fuse panel diagram? 1284 x 905 jpeg 135 кб. The buick v6, popularly referred to as the 3800 in its later incarnations, originally 198 cu in (3.2 l) and initially marketed as fireball at its introduction in 1962, was a large v6 engine used by general motors.

The buick v6, popularly referred to as the 3800 in its later incarnations, originally 198 cu in (3.2 l) and initially marketed as fireball at its introduction in 1962, was a large v6 engine used by general motors.

In 1992 the transmissions were mechanical. 1992 buick lesabre fuse panel diagram? 1992 buick lesabre fuse box diagram 2 answers. Search our online repair manual catalog and find the lowest priced discount auto parts on the web. 97 buick lesabre engine diagram | wiring diagram database. Home » buick » models » 1993 buick lesabre » overview. Save $628 on 1992 buick lesabre for sale. It is controlled by the ecm. My fuse panel is missing the cover that tells where each fuse is located and what it is for. The serpentine belt routing diagram for a 1992 audi 100 cs with 2.8 liters v6 engine. Autozone's repair guides tell you what you need to know to do the job right. Start a new buick lesabre question. The only electronic component was a solenoid to lock the torque converter.

Buick lesabre replacement repair manual information. You could be a professional who intends to search for recommendations or resolve existing troubles. The 1992 buick lesabre currently has 0 recalls. Research the 1992 buick lesabre at cars.com and find specs, pricing, mpg, safety data, photos, videos, reviews and local inventory. 1284 x 905 jpeg 135 кб.

I have 1992 buick park ave. the heater a/c blower ...
I have 1992 buick park ave. the heater a/c blower ... from www.justanswer.com
Autozone's repair guides tell you what you need to know to do the job right. Search our online repair manual catalog and find the lowest priced discount auto parts on the web. Save $628 on 1992 buick lesabre for sale. The only electronic component was a solenoid to lock the torque converter. Ok got a 2001 buick lesabre 3.8 one coil not firing not the icm took it in and tesyed fine put a new coil on and still not firing all good connections dont see any bad wires what else could it be. A wide variety of auto parts buick lesabre options are available to you, such as type, model, and car fitment. Gmc · 1 decade ago. Buick lesabre replacement repair manual information.

97 buick lesabre engine diagram | wiring diagram database.

Cranks, no spark, strong fuel smell it cranks but no spark at coils when cranking it has strong fuel smell under hooid its getting fuel. Start a new buick lesabre question. Home » buick » models » 1993 buick lesabre » overview. Where is the ecm on a 2000 buick lesabre. Includes yearly updates, specifications, road test ratings and trouble spots. The 1992 buick lesabre currently has 0 recalls. This test checks the mil (service engine soon) driver and the mil (service engine soon) circuit. Find the right genuine oem lesabre parts from the full catalog we offer. Buick's popular lesabre is a roomy family sedan that offers most of the features found in the park avenue at a lower price. Search our online repair manual catalog and find the lowest priced discount auto parts on the web. 1992 buick lesabre fuse box diagram 2 answers. Buick lesabre parts at gmpartsgiant. Will a 1992 buick lesabre motor fit into a 1997 buick lesabre?

By