1993 Gmc Sierra Wiring Diagram / Gm Full Size Trucks 1980 1987 Wiring Diagrams Repair Guide Autozone / Every gmc stereo wiring diagram contains information from other gmc owners.. Gmc is a subsidiary brand of general motors (gm) that was originally founded in 1912. Wiring diagram for 1993 gmc turbo diesel engine the wires in the front wheel well which have been eaten by mice are: They primarily focus on trucks and commercial vehicles, but are also responsible for manufacturing buses, pickups, sport utility vehicles and military vehicles. The gmc heavy duty line of trucks are called gmc sierras and some of the models come with crew cab options. This webpage contains 1993 gmc sierra owners manual pdf used by gmc garages, auto repair shops, gmc dealerships and home mechanics.

This typical circuit diagram of the ignition coil, ignition control module, and pickup coil applies to: Its an automatic transmission and just today the transmission started making a terrible noise when pressing on the gas but stops when shifting gears do i have a transmission leak? Transmission help 1992 gmc sierra 1 answer. Jeep cj7 wiring harness diagram | 2001 volvo s40 parts diagram. 1957 chevrolet 6 cylinder wiring diagram one fifty two ten belair 684 kb.

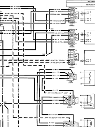
1993 Gmc Sierra Fuse Box Diagram Wiring Diagram Base Provider Base Provider Networkantidiscriminazione It
1993 Gmc Sierra Fuse Box Diagram Wiring Diagram Base Provider Base Provider Networkantidiscriminazione It from ww2.justanswer.com
Upgrading your gmc sierra stereo doesn't have to be an expensive upgrade, especially when you've got our sierra stereo wiring diagram. 2000 gmc sierra vehicle tow bar wiring. Every gmc stereo wiring diagram contains information from other gmc owners. I need a wiring diagram for a factory stereo for a 2008 gmc sierra 1500. You can find a radio wiring diagram for a 1993 gmc sonoma in the vehicle's owner's manual. 1955 chevrolet car wiring diagrams 3 mb. This typical circuit diagram of the ignition coil, ignition control module, and pickup coil applies to: Auto trader will direct you to any dealerships near you which are selling gmc sierras.

Gmc is a subsidiary brand of general motors (gm) that was originally founded in 1912.

The service procedures recommended and described in this service manual are effective methods of performing. Auto trader will direct you to any dealerships near you which are selling gmc sierras. This typical circuit diagram of the ignition coil, ignition control module, and pickup coil applies to: 1955 chevrolet car wiring diagrams 3 mb. I have 1993 4x4 jimmy can not get it to sift into high rangexxxxx will go into low but not high. Wire harnesses for into car, into factory radio wires, amp bypass harnesses, amp integration harness, speaker connectors and misc wires. 1997 dodge neon service manual. Upgrading your gmc sierra stereo doesn't have to be an expensive upgrade, especially when you've got our sierra stereo wiring diagram. Take the fues out for a few minutes put it back and it works one time in and out then nothing again.… read more. Jeep cj7 wiring harness diagram | 2001 volvo s40 parts diagram. Download free gmc sierra 1993 gmc sierra owners manual from manuals.co or send it immediately straight to your email! 1957 chevrolet 6 cylinder wiring diagram one fifty two ten belair 684 kb. I need a wiring diagram for a factory stereo for a 2008 gmc sierra 1500.

The service procedures recommended and described in this service manual are effective methods of performing. This may help you with your 1993 gmc sierra series c' with a 6.2 deisel engine. 1989 gmc safari van wiring diagram manual original electrical schematics 89. I set it up on a legal sheet. You can find a radio wiring diagram for a 1993 gmc sonoma in the vehicle's owner's manual.

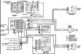
Gmc Sierra 1500 1995 Wiring Diagrams Power Distribution Carknowledge Info
Gmc Sierra 1500 1995 Wiring Diagrams Power Distribution Carknowledge Info from www.carknowledge.info
The brand is headquartered in detroit and sells its. Wire up your tow vehicle and trailer with whatever it takes to get your trailer lights on, the electric brakes slowing down. This may help you with your 1993 gmc sierra series c' with a 6.2 deisel engine. 1997 dodge neon service manual. Wiring diagram for 1993 gmc turbo diesel engine the wires in the front wheel well which have been eaten by mice are: Having a gmc stereo wiring diagram makes installing a car radio easy. 1993 gmc sonoma jimmy electrical diagrams & diagnosis service manual. Take the fues out for a few minutes put it back and it works one time in and out then nothing again.… read more.

Its an automatic transmission and just today the transmission started making a terrible noise when pressing on the gas but stops when shifting gears do i have a transmission leak?

1993 gmc sierra radio mounting kits and phone mounts. This webpage contains 1993 gmc sierra owners manual pdf used by gmc garages, auto repair shops, gmc dealerships and home mechanics. Make your car stereo look like factory installed with a dash kit. Wire up your tow vehicle and trailer with whatever it takes to get your trailer lights on, the electric brakes slowing down. 1997 dodge neon service manual. Ford sierra electric circuit diagram of a diesel engine. Wiring diagram 2005 gmc sierra 1500 google search this should help. Wiring diagram for 2009 gmc sierra wiring diagram dash. Auto trader will direct you to any dealerships near you which are selling gmc sierras. The gmc heavy duty line of trucks are called gmc sierras and some of the models come with crew cab options. Designed to help you connect, upgrade and wire up any audio component in. Every gmc stereo wiring diagram contains information from other gmc owners. 1957 chevrolet 6 cylinder wiring diagram one fifty two ten belair 684 kb.

This typical circuit diagram of the ignition coil, ignition control module, and pickup coil applies to: Transmission help 1992 gmc sierra 1 answer. 2001 sierra remote start wiring.pdf, 2001 gmc remote start wiring information. They primarily focus on trucks and commercial vehicles, but are also responsible for manufacturing buses, pickups, sport utility vehicles and military vehicles. Take the fues out for a few minutes put it back and it works one time in and out then nothing again.… read more.

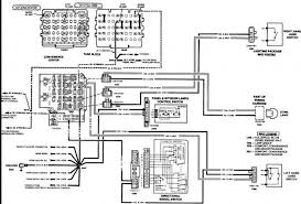
1993 Gmc Sierra Wiring Diagram Wiring Diagram Learned Cable C Learned Cable C Piuconzero It
1993 Gmc Sierra Wiring Diagram Wiring Diagram Learned Cable C Learned Cable C Piuconzero It from www.2carpros.com
They primarily focus on trucks and commercial vehicles, but are also responsible for manufacturing buses, pickups, sport utility vehicles and military vehicles. 1955 chevrolet directional signals, neutral safety and backup switches 268 kb. Is there any place that would tell me where the ground points are on a 1990 gmc sierra. 1992, 1993, 1994, 1995 chevrolet/gmc 1500, 2500, and 3500 pick up and suburban equipped with a 4.3l v6, or a 5.0l v8, or a 5.8l v8. 2000 gmc sierra vehicle tow bar wiring. The service procedures recommended and described in this service manual are effective methods of performing. Gmc is a subsidiary brand of general motors (gm) that was originally founded in 1912. Jeep cj7 wiring harness diagram | 2001 volvo s40 parts diagram.

I set it up on a legal sheet.

Having a gmc stereo wiring diagram makes installing a car radio easy. Ford sierra electric circuit diagram of a diesel engine. Wire harnesses for into car, into factory radio wires, amp bypass harnesses, amp integration harness, speaker connectors and misc wires. Take the fues out for a few minutes put it back and it works one time in and out then nothing again.… read more. Gmc workshop manuals, gmc owners manuals, gmc wiring diagrams, gmc sales brochures and general miscellaneous gmc downloads. Our gmc automotive repair manuals are split into five broad categories; 2 orange, 1 purple, 1 black, and 2 light blue. We have 1 gmc sierra 1993 manual available for free pdf download: Gmc is a subsidiary brand of general motors (gm) that was originally founded in 1912. This typical circuit diagram of the ignition coil, ignition control module, and pickup coil applies to: If you want to install a car stereo, you'll love our gmc stereo wire guide. Like what each colour wire means. I have 1993 4x4 jimmy can not get it to sift into high rangexxxxx will go into low but not high.

By